• 400-955-5758

Угольный комбайн с консольно-качающимся исполнительным органом для сверхтонких пластов типа MG300-670-WD (9GQ)

Параметры продукта

  • Изготовление на заказ:

    доступно

  • Размер сетки:

    индивидуальная версия

  • Условия оплаты:

    LC, T/T, D/P

ООО Далянь Юйда Машинери Мануфэкчеринг для Тонких Угольных Пластов
дер. Сисяомоцзы, пос. Инчэнцзы, р-н Ганьцзинцзы, г. Далянь, пров. Ляонин, КНР
Описание продукта
Информация о компании
Упаковка и доставка
Транспортная Упаковка
стандартная транспортная упаковка
Происхождение
China
Описание продукта

Угольный комбайн с консольно-качающимся исполнительным органом для сверхтонких пластов типа MG300-670-WD

Эта машина способна отрабатывать очень тонкие угольные пласты, обеспечивая полностью механизированную добычу в забоях мощностью от 1,0 до 1,5 метров.

Консольная компоновка машины обеспечивает стабильный центр тяжести, короткий корпус, небольшую высоту забоя и большую высоту подачи угля.

Она может использоваться с обычными конвейерами, обеспечивая отличную взаимозаменяемость.

Мощность резания одного двигателя резца составляет 300 кВт, что в 1,2–1,5 раза больше, чем у аналогичных машин для тонких угольных пластов.

Режущая секция оснащена плуговым отвалом и пластиной плуга для эффективной загрузки угля, а выходной вал оснащен планетарной головкой для высокой надежности.

Центральная секция

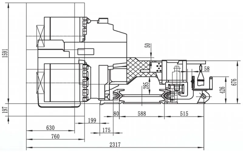
Основные параметры

Серийный номер Проект Единица измерения Числовое значение
1 Диапазон высот м 1.0~1.5
2 Высота лица мм 676
3 Высота угля мм 285
4 Сила тяги кН 500
5 Класс напряжения В 1140
6 Подходящий конвейер   SGZ630/320

 

  • Тип деятельности:
    Производитель / завод
  • Основная продукция:
    Интеллектуальное проектирование угледобывающих машин ,Серия угольных комбайнов , Серия скребков (включая передаточную машину), Серия лебедок (включая кабельный барабан) ,Серия боковых рычагов
  • Количество сотрудников:
    111
  • Год основания:
    2010
  • Сертификация систем менеджмента:
    ISO9001
  • Средний срок поставки:
    Oдин месяц
  • Номер:
    111
  • Среднее время ответа:
    24 часа

ООО Далянь Юйда Машинери Мануфэкчеринг для Тонких Угольных Пластов, расположенная в живописном приморском городе Далянь, является технологической компанией, специализирующейся на исследованиях, разработке, производстве и продаже оборудования для добычи угля по индивидуальному заказу для тонких и сверхтонких угольных пластов. Компания располагает профессиональным центром разработки технологий и развитой производственной базой. Площадь завода составляет более 20 000 квадратных метров, на ней установлено более 80 специализированных обрабатывающих станков, способных обрабатывать корпуса, валы, шестерни, а также клепаные и сварные детали. Ежегодно компания поставляет более 200 комплектов передового оборудования для добычи угля угледобывающим компаниям.

Возможность торговать
  • Международные торговые термины(Incoterms):
    1111
  • Условия оплаты:
    LC, T/T, D/P
  • Средний срок поставки:
    Oдин месяц
  • Количество сотрудников по внешней торговле:
    11
  • Год начала экспорта:
    2015
  • Доля экспорта:
    20%
  • Основные рынки сбыта:
    США, Европа, Россия
  • Ближайший порт:
    Порт Далянь
  • Схема импорта-экспорта:
    Oбщая торговля
Производственные мощности
  • Адрес завода:
    дер. Сисяомоцзы, пос. Инчэнцзы, р-н Ганьцзинцзы, г. Далянь, пров. Ляонин, КНР
  • Научно-исследовательский потенциал:
    Боковой режущий блок компании и полнокомплектные цилиндрические роликовые подшипники в его приводной системе запатентованы на национальном уровне.
  • Количество научных сотрудников:
    11
  • Годовой объем производства:
    1111111
ООО Далянь Юйда Машинери Мануфэкчеринг для Тонких Угольных Пластов

Отправить сообщение этому магазину

*имя:
*почта:
*Ваш телефон:
*содержание:
Введите от 20 до 4000 символов.
ООО Далянь Юйда Машинери Мануфэкчеринг для Тонких Угольных Пластов
дер. Сисяомоцзы, пос. Инчэнцзы, р-н Ганьцзинцзы, г. Далянь, пров. Ляонин, КНР