• 400-955-5758

TRLP-16 тип: линейный датчик малых перемещений

Параметры продукта

  • Настраиваемый:

    Доступный

  • Тип:

    Линейный датчик положения

  • Тип выходного сигнала:

    Аналоговый

ООО Циндао Тайжунь Электроникс Технолоджи
КНР, провинция Шаньдун, г. Циндао, район Лаошань, ул. Хайэр, д. 57, Бизнес-центр, корпус 1, 2 этаж, главный корпус
Описание продукта
Информация о компании
Основная информация
Рабочая температура
-20-80℃
Сохранить температуру
-20-80℃
прочность пружины
<100gf
Упаковка и доставка
Транспортная Упаковка
стандартная транспортная упаковка
Происхождение
China
Описание продукта

Описание продукции

Линейный датчик малого смещения TRLP - 16 использует интегрированные чувствительные элементы магнитного сопротивления и постоянные магниты для бесконтактного измерения малого смещения (16 мм);Из - за изменения индукционного смещения с использованием магнитного поля в качестве носителя внутри датчика нет механического контакта, что значительно повышает срок службы и надежность датчика;В схеме обработки сигналов используется монолитная схема компенсации температуры, которая уменьшает возможный дрейф, вызванный изменением температуры.

Характеристики продукции

◇ Нет контакта, нет трения

◇ Высокая скорость отклика, возможность высокоскоростных измерений

◇ Смещение пропорционально давлению на выходном валу

◇Разрешение теоретически бесконечно

Типичное применение

◇ Автоматически контролировать измерение и отслеживание малых и средних перемещений

◇ Автомобильная тормозная система

◇ Измерение натяжения в текстильной, бумажной и других отраслях

◇ Используется как датчик обрыва провода

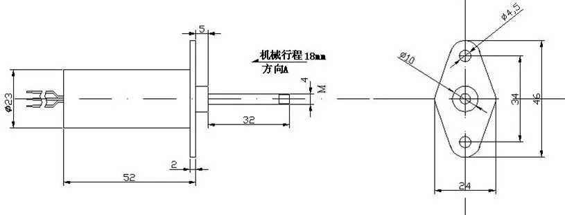
Размер

Технические параметры

Тип TRLP-16U TRLP-16I
Механический ход 18mm 18mm
Эффективный маршрут 16mm 16mm
выходной сигнал 0.5-4.5V 4-20mA
Независимая линейность ±2% ±2%
Рабочее напряжение 5V,DC 12-24V,DC
напряжение изоляции ≥100MΩ ≥100MΩ
Рабочая температура -20-80℃ -20-80℃
Сохранить температуру -20-80℃ -20-80℃
прочность пружины <100gf <100gf

Выходная характеристика

TRLP-16 тип линейный датчик малых перемещений (3)
  • Тип деятельности:
    Производитель / завод
  • Основная продукция:
    датчики скорости, энкодеры для шпинделей электродвигателей, датчики измерения скорости шпинделей, датчики углового перемещения, дифференциальные магниторезистивные датчики, вибрационные датчики и датчики наклона
  • Количество сотрудников:
    45
  • Год основания:
    2003
  • Сертификация систем менеджмента:
    Сертификация системы менеджмента качества по стандарту ISO 9
  • Средний срок поставки:
    Одна неделя
  • Номер:
    001
  • Среднее время ответа:
    24 часа

ООО Циндао Тайжунь Электроникс Технолоджи основано в сентябре 2003 года и является высокотехнологичным предприятием, специализирующимся на производстве магниточувствительных датчиков и предоставлении решений в области автоматизации. Компания занимается разработкой, продажей и обслуживанием технологий и продукции, связанных с обнаружением, преобразованием, изоляцией, сбором, передачей сигналов и системной интеграцией.

Возможность торговать
  • Международные торговые термины(Incoterms):
    Бесконтактный датчик угла поворота QMCW полного диапазона
  • Условия оплаты:
    /
  • Средний срок поставки:
    Одна неделя
  • Количество сотрудников по внешней торговле:
    3
  • Год начала экспорта:
    2020
  • Доля экспорта:
    20%
  • Основные рынки сбыта:
    Европа
  • Ближайший порт:
    Порт Циндао
  • Схема импорта-экспорта:
    Общий режим
Производственные мощности
  • Адрес завода:
    ООО Циндао Тайжунь Электроникс Технолоджи
  • Научно-исследовательский потенциал:
    Мощный
  • Количество научных сотрудников:
    6
  • Годовой объем производства:
    4 миллиона юаней
ООО Циндао Тайжунь Электроникс Технолоджи

Отправить сообщение этому магазину

*имя:
*почта:
*Ваш телефон:
*содержание:
Введите от 20 до 4000 символов.
ООО Циндао Тайжунь Электроникс Технолоджи
КНР, провинция Шаньдун, г. Циндао, район Лаошань, ул. Хайэр, д. 57, Бизнес-центр, корпус 1, 2 этаж, главный корпус