• 400-955-5758

TR-GEL2444 серия: энкодер шпинделя

Параметры продукта

  • Настраиваемый:

    Доступный

  • Тип:

    Ротационный энкодер

  • Принцип работы:

    Инкрементный

ООО Циндао Тайжунь Электроникс Технолоджи
КНР, провинция Шаньдун, г. Циндао, район Лаошань, ул. Хайэр, д. 57, Бизнес-центр, корпус 1, 2 этаж, главный корпус
Описание продукта
Информация о компании
Основная информация
Разрешение
1024
Класс защиты IP
IP54
Упаковка для транспортировки
Стандартная упаковка
Упаковка и доставка
Транспортная Упаковка
стандартная транспортная упаковка
Происхождение
China
Описание продукта

Характеристики продукта

◆ Совместимость с зубчатыми колесами (модуль 0.3, 0.4 или 0.5), не требует подшипников

◆ Сверхвысокая точность измерений благодаря схеме интерполяции

◆ Степень защиты IP68, рабочий температурный диапазон -40...+120°C

◆ Бесконтактное измерение с sin/cos или TTL интерфейсом

◆ Низкая температурная зависимость, стабильный сигнал, частотный диапазон 0-200 кГц

◆ Металлический корпус с полной экранировкой, высокая устойчивость к электромагнитным помехам

Области применения

◆ Полный аналог датчиков серии GEL2444 компании L+B (Laser & Balance)

◆ Контроль положения и скорости шпинделей в станкостроении

◆ Электронная синхронизация позиционирующих винтов в вакуумных насосах

◆ Определение положения заготовок и измерение скорости двигателей в токарных, шлифовальных и фрезерных станках

◆ Замена оптических энкодеров в условиях высоких скоростей и экстремальных сред

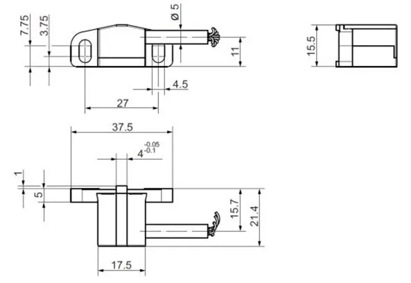
Габаритные размеры

Осевой вывод (мм)
Осевой вывод (мм)
Боковой вывод (правый) (мм)
Боковой вывод (правый) (мм)
Боковой вывод (левый)
Боковой вывод (левый)
Осевой вывод
Осевой вывод
Радиальный вывод
Радиальный вывод
Боковой вывод (правый)
Боковой вывод (правый)

Технические параметры

Напряжение питания 5 В ±5% постоянного тока
Ток нагрузки ≤30 мА
Тип выходного сигнала Синусоидальный/Прямоугольный
Частотный диапазон 0 - 200 кГц
Амплитуда сигнала ≈1 Vpp при зазоре 0.15 мм
Модуль зубчатого колеса 0.3, 0.4, 0.5 (возможно изготовление по индивидуальным требованиям)
Рабочая температура -20 - 120℃
  • Тип деятельности:
    Производитель / завод
  • Основная продукция:
    датчики скорости, энкодеры для шпинделей электродвигателей, датчики измерения скорости шпинделей, датчики углового перемещения, дифференциальные магниторезистивные датчики, вибрационные датчики и датчики наклона
  • Количество сотрудников:
    45
  • Год основания:
    2003
  • Сертификация систем менеджмента:
    Сертификация системы менеджмента качества по стандарту ISO 9
  • Средний срок поставки:
    Одна неделя
  • Номер:
    001
  • Среднее время ответа:
    24 часа

ООО Циндао Тайжунь Электроникс Технолоджи основано в сентябре 2003 года и является высокотехнологичным предприятием, специализирующимся на производстве магниточувствительных датчиков и предоставлении решений в области автоматизации. Компания занимается разработкой, продажей и обслуживанием технологий и продукции, связанных с обнаружением, преобразованием, изоляцией, сбором, передачей сигналов и системной интеграцией.

Возможность торговать
  • Международные торговые термины(Incoterms):
    Бесконтактный датчик угла поворота QMCW полного диапазона
  • Условия оплаты:
    /
  • Средний срок поставки:
    Одна неделя
  • Количество сотрудников по внешней торговле:
    3
  • Год начала экспорта:
    2020
  • Доля экспорта:
    20%
  • Основные рынки сбыта:
    Европа
  • Ближайший порт:
    Порт Циндао
  • Схема импорта-экспорта:
    Общий режим
Производственные мощности
  • Адрес завода:
    ООО Циндао Тайжунь Электроникс Технолоджи
  • Научно-исследовательский потенциал:
    Мощный
  • Количество научных сотрудников:
    6
  • Годовой объем производства:
    4 миллиона юаней
ООО Циндао Тайжунь Электроникс Технолоджи

Отправить сообщение этому магазину

*имя:
*почта:
*Ваш телефон:
*содержание:
Введите от 20 до 4000 символов.
ООО Циндао Тайжунь Электроникс Технолоджи
КНР, провинция Шаньдун, г. Циндао, район Лаошань, ул. Хайэр, д. 57, Бизнес-центр, корпус 1, 2 этаж, главный корпус