• 400-955-5758

Пилотный клапан XH-7G

Параметры продукта

  • Возможность индивидуальной настройки:

    Доступно

  • Послепродажное обслуживание:

    Бесплатное обслуживание и ремонт

  • Гарантия:

    Бесплатное обслуживание и ремонт

ООО Гуйчжоу Цянлю Гидравлик
КНР, провинция Гуйчжоу, г. Гуйян, р-н Хуаси, промзона Сяохэ, ул. Сунхуацзян, д. 1
Описание продукта
Информация о компании
Основная информация
Тип
Поршни
Применение
Тоннелепроходческий комплекс
Упаковка и доставка
Транспортная Упаковка
стандартная транспортная упаковка
Происхождение
China
Описание продукта

Подробнее о продукте

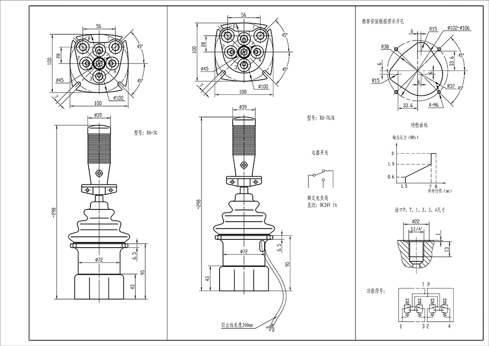
XH-7G — это управляющий клапан с вертикальной рукояткой. Входное и обратное маслоотводное отверстия, а также четыре редукционных отверстия расположены под корпусом клапана, что обеспечивает удобство распределения и подключения масляных трубопроводов. Рукоятку можно поворачивать вперед-назад, влево-вправо. После поворота четыре редукционных отверстия под управляющим клапаном обеспечивают подачу масла под давлением.

 

При необходимости этот тип пилотного клапана может быть оснащен микропереключателем цепи.

 

Модель заказа:

1.Модель без микропереключателя: XH-7G

2.Модель с микропереключателем: XH-7G/K

 

Выходная характеристика, представленная на чертеже внешнего вида, является характеристикой изделия по умолчанию. Если заказчику требуется другая характеристика, он может обратиться к производителю для её настройки.

Пилотный клапан XH-7G
  • Тип деятельности:
    Производитель / завод
  • Основная продукция:
    Пилотный клапан, Клапан управления пилотным потоком
  • Количество сотрудников:
    100
  • Год основания:
    2010
  • Сертификация систем менеджмента:
    10
  • Средний срок поставки:
    1 месяц
  • Номер:
    100001
  • Среднее время ответа:
    1 час

ООО Гуйчжоу Цянлю Гидравлик расположено по адресу: ул. Сунхуацзян, 1, зона экономического развития Сяохэ, г. Гуйян, провинция Гуйчжоу, КНР. Это высокотехнологичное предприятие, специализирующееся на разработке, производстве и обслуживании гидропневматических компонентов. Основанная в 2010 году, компания обладает глубокими техническими наработками и производит высококачественную продукцию, предлагая надежные гидравлические решения для строительной техники, горнодобывающего оборудования, металлургии и энергетики. Наша команда опытных специалистов по гидравлике способна оперативно разрабатывать индивидуальные продукты в соответствии с требованиями клиентов для различных сложных условий эксплуатации.

Возможность торговать
  • Международные торговые термины(Incoterms):
    FOB
  • Условия оплаты:
    банковская карта
  • Средний срок поставки:
    1 месяц
  • Количество сотрудников по внешней торговле:
    10
  • Год начала экспорта:
    15
  • Доля экспорта:
    20%
  • Основные рынки сбыта:
    CHINA
  • Ближайший порт:
    SHANGHAI
  • Схема импорта-экспорта:
    9710
Производственные мощности
  • Адрес завода:
    КНР, провинция Гуйчжоу, г. Гуйян, р-н Хуаси, промзона Сяохэ, ул. Сунхуацзян, д. 1
  • Научно-исследовательский потенциал:
    Интеграция исследований и разработок, производства и продаж
  • Количество научных сотрудников:
    5
  • Годовой объем производства:
    100000
ООО Гуйчжоу Цянлю Гидравлик

Отправить сообщение этому магазину

*имя:
*почта:
*Ваш телефон:
*содержание:
Введите от 20 до 4000 символов.
ООО Гуйчжоу Цянлю Гидравлик
КНР, провинция Гуйчжоу, г. Гуйян, р-н Хуаси, промзона Сяохэ, ул. Сунхуацзян, д. 1